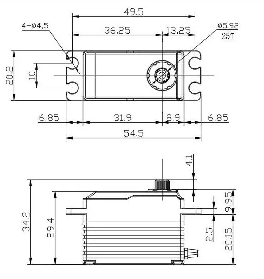
Description
Designed specifically for FTC, this strong high speed servo is fast, light and powerful.
It's a programable dual mode servo that has feedback via an analog absolute position fourth wire.
Construction
Steel and Titanium gear train with Aluminium case
Motor Type
Brushless Motor
Max Travel
180 degrees (or continuous if programmed)
Weight
66g
Torque
| 20kg/cm | 4.8v |
| 25kg/cm | 6.0v |
| 33kg/cm | 8.4v |
Speed
| 0.110 sec / 60 degrees | 4.8v |
| 0.090 sec / 60 degrees | 6.0v |
| 0.068 sec / 60 degrees | 8.4v |
Step File
Firmware
Change between Continuous Rotation and Servo Mode Download
Software for updating the servo (with programmer) - Download


